

来源:生物降解材料研究院
PBAT是一种全生物可降解塑料。本文主要对其制备方法与两种生产工艺进行阐述。目前PBAT被应用于超市购物袋,外卖餐盒,农用地膜等农工商医等领域。随着限塑令的推出和绿色消费市场的扩大,PBAT作为环保材料具有较好的发展前景。
PBAT全名为聚己二酸/对苯二甲酸丁二醇酯,即英文Poly (butyleneadipate-co-terephthalate)的简写,即其化学结构式为:从其化学结构式可知,PBAT是己二酸丁二醇酯(BT)和对苯二甲酸丁二醇酯(BT)的共聚物。兼具PBA(聚己二酸丁二醇酯)和PBT(聚对苯二甲酸丁二醇酯)的特性,既有较好的力学性能,又有较高的延展性和断裂伸长率,还具有优良的生物降解性,是一种全生物可降解塑料。生物可降解塑料是在土壤、沙土等自然条件下,与微生物(如细菌/霉菌/藻类等)作用降解成二氧化碳、水等小分子或低分子化合物的塑料。降解塑料主要分为光降解塑料、生物降解塑料、光生物降解塑料。光降解塑料需要充足的光照才能降解,给生产带来了很大局限性,所以光降解塑料的推广并不好。生物降解塑料品种已经有几十种,可批量生产和工业化生产的品种主要有:微生物发酵合成的聚羟基脂肪酸酯,化学合成的聚乳酸(PLA)、聚己内酯、二元醇二羧酸脂肪族聚酯(PBS)、脂肪族/芳香族共聚酯、CO2/环氧化合物共聚物(APC)、聚乙烯醇(PVA)等,天然高分子淀粉基塑料及其生物降解塑料共混物、塑料合金等。以己二酸(AA)、对苯二甲酸(PTA)、丁二醇(BDO)为单体,按照一定比例合成聚己二酸/对苯二甲酸丁二醇酯,工艺过程中重点在于严格控制反应的酯化方式、酯化时间、缩聚温度、稳定剂等。这些关键因素能够直接影响合成过程,最终影响产品的性能。为确保制备出良好的PBAT树脂,所需的最佳工艺条件为:共酯化反应方式,酯化时间为185 min,缩聚温度248~250 ℃,稳定剂添加量70 μg/g。PBAT的制备有三种酯化方式:共酯化、分酯化和串联酯化。制备流程图及主要工艺参数如下图1、图2、图3所示。
PBS降解塑料生物降解塑料PBAT(PBS)家族材料的应用宝典
9篇原创内容
公众号
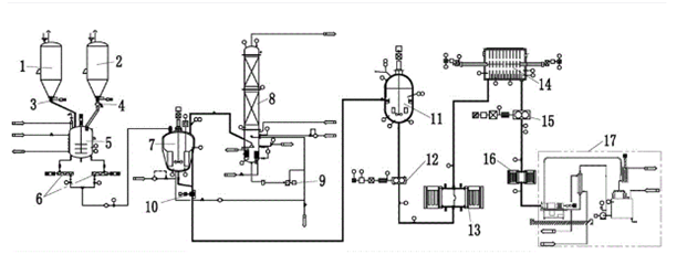
扬州普立特科技发展有限公司最新成功开发出一种全连续PBAT的生产工艺,其流程图如下图所示。
惠通公司与国内知名科研机构共同开发,结合PBAT的特点,成功开发出直接连续酯化法生产工艺,流程简图如下:(1)为了减少BDO的副反应发生,减少THF的生成,降低原料消耗,整个酯化反应在真空条件下进行,降低了酯化反应温度;同时也降低了能耗。(2)由于原料的活性较低问题,采用了高性能催化剂;由于此催化剂的易水解失活的特性,由原来传统催化剂液面以上的加入方式,改为液面下加入,解决了以上问题。(3)在缩聚过程中,生成的低聚物易随真空气相管道带人到喷淋系统中,造成系统堵塞。为此,在气相管道上设置旋风分离收集系统,将生成的低聚物通过旋风分离器收集捕捉,其尾气进入BDO喷淋循环系统。(4)酯化反应过程中,虽然可以降低副反应发生的程度,但在酯化反应中还是不可避免的有THF和水。由于THF属于低毒性,但是其高浓度易对人体危害很大,如果直接排放至污水处理,将会对污水处理系统内的细菌产生危害。为解决这一问题,设置了THF回收装置。将THF与水进行分离处理,经过回收装置处理后,其THF的质量分数可达到99.95%以上,可用于直接销售。废水中THF的质量分数控制在0.05%左右,将废水送至汽提塔进行汽提,提取出其中的THF及其他有机物,通过管道送至燃气锅炉燃烧。(5)由于PBAT玻璃化温度较低,如采用传统水下拉条切粒,易造成黏结、缠刀,导致生产不稳。为此,采用水下模头切粒的方式,通过水下输送管道的长短和切粒水的温度来控制切片粒子的成型和结晶程度;同时由于PBAT易降解的特性,生产的切片粒子输送至干燥塔进行干燥,然后冲氮气进行保护和包装。(6)针对PBAT的特性,分子链增长难、黏度高、流动性差等特点,惠通公司采用惠通独家zhuanli技术的立式液相增黏釜,可使物料的动力黏度由目前350 Pa·S增加到1000 Pa·S以上,分子链随之增长,同时由于黏度很高,需采用螺杆出料的方式来保证生产的稳定性。(7)由于在生产PBAT过程中,有THF蒸汽产生,为此在缩聚装置内局部地区设置了轴流风机加强装置通风能力,同时还设置可燃有害气体检测和报警装置,现场设计个人防护面具和呼吸器等安全装备;THF回收装置采取全敞开式混凝土框架结构,使有害气体不易积聚。PBAT作为性能良好的环保材料,可以降低石油资源消耗,缓解“白色污染”,对我国可持续发展具有重要意义。
目前全球PBAT市场需求旺盛,由于PBAT价格较高,而我国具备良好的原料生产条件。PBAT产品主要用于出口,行业集中度高,潜在市场大,产业化前景好。国内对PBAT材料进行研究的有中科院理化技术研究所、中科院化学研究所、蓝山屯河公司、清华大学、江南大学等。其中金发科技每年产能为6万吨、金晖兆隆每年产能为2.5万吨、亿帆鑫富每年产能为1.2万吨,蓝山屯河每年产能为13万吨。1.庞道双,潘小虎,李乃祥,戴钧明.PBAT合成工艺研究[J].合成技术及应用,2019,34(02):35-39.2.王有超.新型生物降解材料—PBAT的连续生产工艺[J].聚酯工业,2016,29(01):28-29.